Описание
Характеристики
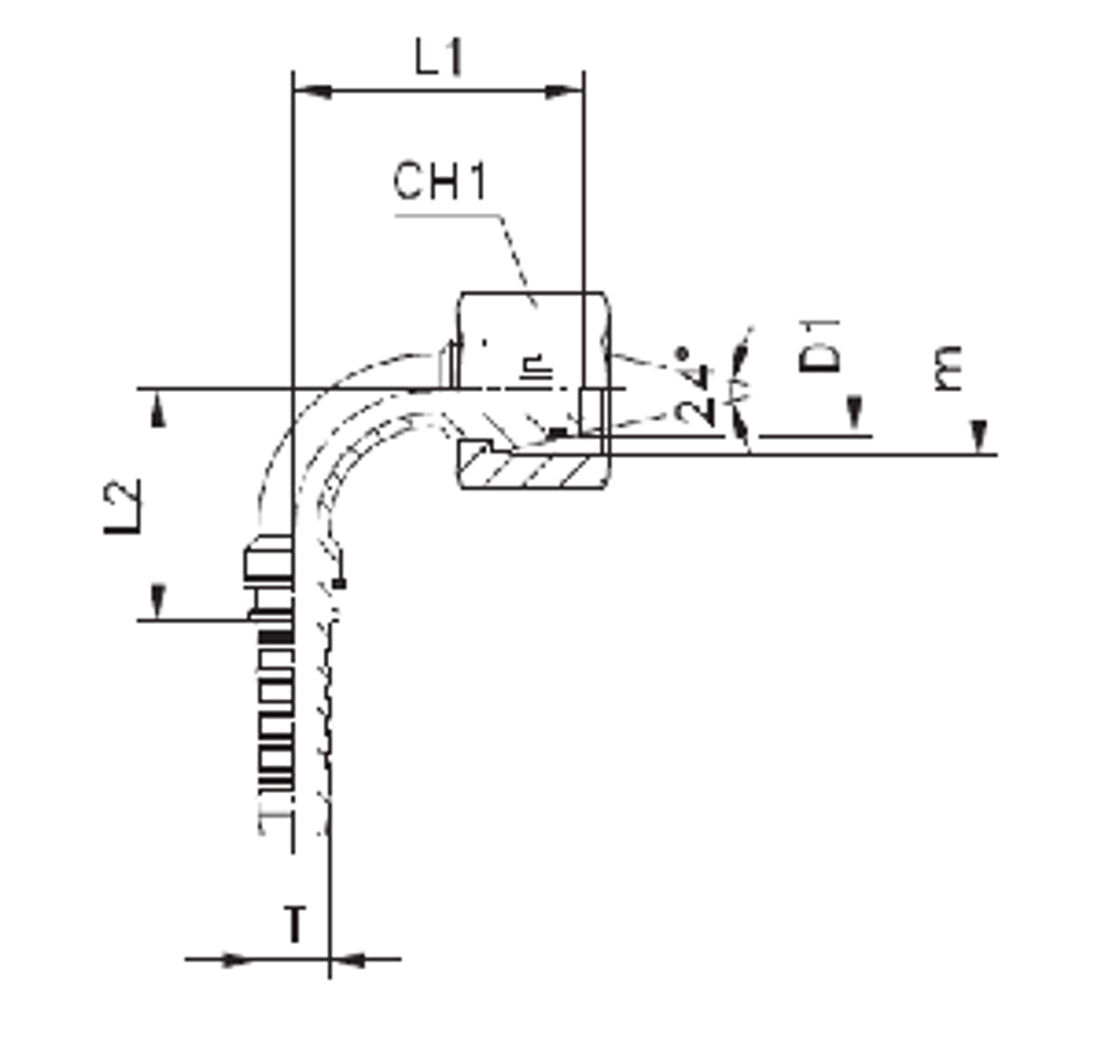
| Артикул | Бренд | CH1 | D1 | DASH | DN | ID (дюйм) | L1 | L2 | WP (bar) | Вид резьбы | М | Стандарт фитинга/муфты | Тип фитинга | Угол фитинга |
| 801102 | CAST | 17 | 6S | -3 | 5 | 3/16 | 32,5 | 26 | 415 | Внутренняя | 14x1,5 | Стандартный | DKO | 90 град. |
Показать полностью
Свернуть
Характеристики
Размер CH1
17
Размер M фитинги Каст
14x1,5
Размер L1 фитинги Каст
32,5
Размер L2 фитинги Каст
26
Размер соедин. D1 фитинги Каст
6S
WP (bar) рабочее давление
415
DASH размер продукции (рукава, фитинги, TC)
-3
Тип фитинга для РВД
DKO
DN (услов внут диам рукава, фитингов)
5
Бренд
CAST
ID (дюйм)
3/16
Стандарт фитинга/муфты для РВД
Стандартный
Угол фитинга для РВД
90 град.
Вид резьбы фитинга для РВД
Внутренняя
Отзывы
Отзывов еще никто не оставлял
Бренды
